• <tt id="ggggg"><table id="ggggg"></table></tt>
  • <tt id="ggggg"><table id="ggggg"></table></tt>
    <li id="ggggg"></li>
    <tt id="ggggg"></tt>
  • <tt id="ggggg"></tt>
  • <tt id="ggggg"><table id="ggggg"></table></tt>

    收藏網址 聯系我們 網站地圖

    您好!歡迎來到無錫市信順機械制造有限公司官網!專業生產膠帶硫化機,皮帶硫化機,拉繩開關等產品。

    無錫市信順機械制造有限公司 20年硫化機制造經驗 廠家批發 專業定制 無憂售后

    合作咨詢熱線:158-9647-1183

    產品中心Brand

    地址:錫山東港鎮東湖塘陽光工業園區
    手機:15896471183 (錢先生)
    電話:0510-88798762
    傳真:0510-83918190
    郵箱:wuxixinshunjixie@163.com
    網址:www.aolepk.com
    產品中心
    您的位置: 首頁 ? 產品中心 >

    YF-FJ型欠速開關

    欠速開關概述
    欠速開關是一種經濟、可靠性強、對軸轉速及其他旋轉裝置簡單通用的檢測裝置,當檢測到目前轉速信號低于或高于正常轉達速范圍,開關輸出一組開關信號,以供報警或停機。無運動部件、無磨損、安全壽命長,一體化結構,集中的控制裝置,設定或故障檢修簡單。外殼采用防水、防塵的設計,兩螺栓固定殼體,可直接安裝在惡劣環境中使用。 

    面板操作說明

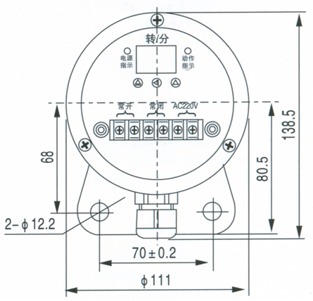
    外形尺寸


    設置說明
    1、當電源接通時,繼電器吸合延時約10秒,綠燈和紅燈亮;數碼管顯示的是每分鐘的轉數(各數字不閃爍);
    2、打滑速度設置:按"設置鍵△"出現數碼管顯示為"000"且各位閃爍,通過"鍵 "和"鍵 "輸入123;再按設置鍵,數碼管顯示為打滑速度,再按"鍵 "和"鍵△"可修改打滑速度,再按"鍵△",打滑速度設置完畢;
    3、轉數高于設置的打滑速度繼電器吸合,否則繼電器斷開;一般打滑速度的設置低于機器正常轉數的20%-30%。

    技術參數


    型號/參數 電源
    電壓
    檢測范圍 脈沖 轉速 開機
    延時
    開關與目
    標距離
    開關數量 解點容量 電流
    YF-FJ 220VAC 0.5m/s-9.99m/s 6-120Hz 0-999轉/分 10s 10-20mm 1組常開 1組常閉 24-380V AC/DC 1.5A
        

    掃一掃添加微信!

    COPYRIGHT ?2019 無錫市信順機械制造有限公司 版權所有 蘇ICP備13034976號
    聯系人:錢經理 15896471183
    電話:0510-88798762 傳真:0510-83918190
    地址:無錫錫山區東港鎮東湖塘陽光工業園區 技術支持:新互動網絡

    草蹓视频在线观看—国产悠悠