• <tt id="ggggg"><table id="ggggg"></table></tt>
  • <tt id="ggggg"><table id="ggggg"></table></tt>
    <li id="ggggg"></li>
    <tt id="ggggg"></tt>
  • <tt id="ggggg"></tt>
  • <tt id="ggggg"><table id="ggggg"></table></tt>

    收藏網址 聯系我們 網站地圖

    您好!歡迎來到無錫市信順機械制造有限公司官網!專業生產膠帶硫化機,皮帶硫化機,拉繩開關等產品。

    無錫市信順機械制造有限公司 20年硫化機制造經驗 廠家批發 專業定制 無憂售后

    合作咨詢熱線:158-9647-1183

    產品中心Brand

    地址:錫山東港鎮東湖塘陽光工業園區
    手機:15896471183 (錢先生)
    電話:0510-88798762
    傳真:0510-83918190
    郵箱:wuxixinshunjixie@163.com
    網址:www.aolepk.com
    產品中心
    您的位置: 首頁 ? 產品中心 >

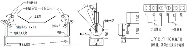
    BKPT1型兩級跑偏開關

    兩級跑偏開關概述
    用于輸送機膠帶跑偏的檢測,防止由于膠帶跑偏而造成物料溢出等故障。本機廣泛應用于礦山、電力及化工等行業的運輸系統中。
    工作原理
    當運行中的膠帶發生跑偏時,膠帶邊緣帶支立輥旋轉并擠壓立輥使之傾斜,若立輥傾斜大于一級動作角度時,立即發出一組開關信號,如立輥繼續傾斜大于二級動作角度時,則輸出另一組開關信號,兩組開關信號可分別用于告警或停機,膠帶機恢復正常運行后,立輥自動復位。
    結構特點
    本機采用鋁合金精密壓鑄殼體,強度高,重量輕;外殼防護等級達IP67,可以在惡劣環境中長期工作;機內采用進口元件,觸點容量大,動作靈敏、可靠。
    使用與安裝
    將跑偏開關固定在支架上,然后焊接在膠帶機架上;立輥軸線與膠帶平面相垂直,立輥與膠帶邊緣距離為L=50 100 mm;膠帶位于立輥下端1/3處;
    每50M膠帶可安裝跑偏開關一對。
    接線方式
    本機出廠時已配長度為1.0米電纜線,接線方式參照標牌所標線色。

    技術參數


    型號/參數 動作角度 極限
    角度
    觸電數量 觸點
    容量
    防護
    等級
    復位
    方式
    可靠性 重量(KG)
    一級 二級 常開 常閉
    BKPT1 12°
    30°
    70° 2 2 AC380V
    5A
    IP67 自動 >10° 3.5
    10°
    45°
    25° 35°

     


        

    掃一掃添加微信!

    COPYRIGHT ?2019 無錫市信順機械制造有限公司 版權所有 蘇ICP備13034976號
    聯系人:錢經理 15896471183
    電話:0510-88798762 傳真:0510-83918190
    地址:無錫錫山區東港鎮東湖塘陽光工業園區 技術支持:新互動網絡

    草蹓视频在线观看—国产悠悠